株式会社カネデン
登録番号:T8010701019446
メニューを開く
カート
カテゴリー
LED電球・LEDランプ
白熱電球
ハロゲンランプ
直管蛍光灯
特殊直管蛍光灯
円形蛍光灯
電球形蛍光灯
コンパクト蛍光ランプ
HID・水銀灯・高圧ナトリウムランプ
回転灯
フラッシュライト・懐中電灯
舞台・演出照明・撮影機器
スポットライト
クリップライト
投光器・作業灯
直管蛍光灯器具
LEDベースライト器具
電設資材
その他・工具
スタンド
撮影機材
ガイド
ご利用案内
よくあるご質問(FAQ)
お問い合わせ
注文状況確認 / 各種書類発行
お問い合わせ
■
パナソニック(ナショナル) 3路・片切両用スイッチ付 WN575215K
トップページ
>
電設資材
>
ライトコントロール・調光器
> パナソニック(ナショナル) 3路・片切両用スイッチ付 WN575215K
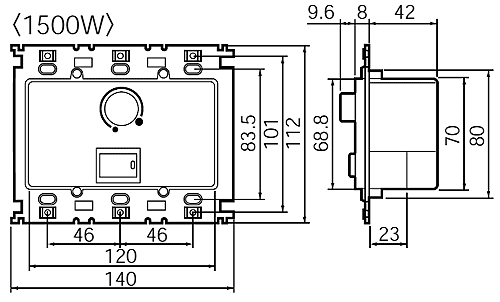
寸法図
■
パナソニック(ナショナル) 3路・片切両用スイッチ付 WN575215K
ムードスイッチ白熱灯用(1500W)プレートなしタイプ
●ムードスイッチC(3路・片切両用)
●白熱灯ライトコントロール ●ロータリー式 ●50Hz/60Hz共用型
●AC100V 1500W ●3連接穴プレート適合
■ムードスイッチ施工上のご注意
※片切の場合は(0-3)への結線にてお使いください。
●パナソニック(Panasonic) WN575215K ライトコントロール 調光器 3路 片切両用スイッチ付 1500W
商品CD:1011024
メーカー希望小売価格 \30,030-
生産終了
パナソニック WV2502 絶縁被覆付棒型圧着端子(フル端子用1.25〜2mm2用)100個入り
\4,378
マーベル(MARVEL) MH-5 ハンドプレス 圧着工具 (裸圧着端子・スリーブ用)
\5,698
ホーザン(HOZAN) P-958 VVFケーブルストリッパー 電工用工具
\4,884
ジェフコム WS-826 ワイヤーストリッパー 0.8〜2.6mm カッター付 電工用工具
\2,860
●ムードスイッチC(3路・片切両用)
●白熱灯ライトコントロール ●ロータリー式 ●50Hz/60Hz共用型
●AC100V 1500W ●3連接穴プレート適合
■ムードスイッチ施工上のご注意
※片切の場合は(0-3)への結線にてお使いください。